
研究で電気回路を自作している大学院生です。 - PWM信号をDCに変換す... - Yahoo!知恵袋
どんな回路ですか?
-
なるほど
0
-
そうだね
0
-
ありがとう
0
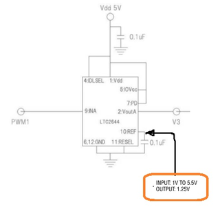
この仕様を元に内部リファレンスモードで使おうと思っています。 前まではこの設計で作動していたので接続に問題は無いと思っていたのですがどうでしょうか? 説明書が見にくくてすみません。
これね! https://www.analog.com/media/jp/technical-documentation/data-sheets/j2644f.pdf ーーーー REF(ピン10):リファレンス電圧の入力または出力。REFSEL をVCCに接続した場合、REFは入力(1V ≤VREF ≤ VCC)にな り、入力された電圧によってフルスケールDAC出力電圧が 設定されます。REFSELをGNDに接続した場合、10ppm/°C、 1.25Vの内部リファレンス(フルスケールの1/2)がこのピンで 使用可能になります。この出力は最大10μFでGNDにバイパ スすることが可能で、外部のDC負荷電流を駆動するときは バッファを接続する必要があります ーーーー
いいすか? >REFSELをVCCに接続した場合、REFは入力(1V ≤VREF ≤ VCC)にな り、入力された電圧によってフルスケールDAC出力電圧が 設定されます。REFSELをGNDに接続した場合、10ppm/°C、 1.25Vの内部リファレンス(フルスケールの1/2)がこのピンで 使用可能になります。 ーー> これわかりますか?
こんな感じ