誘導電動機のトルク計算、解析 # &
ライター:mpcsp079さん(最終更新日時:2016/6/16)投稿日:2014/5/20

非常に難しい誘導モーターのメカニズムの有名なスタインメッツ等価回路から導く

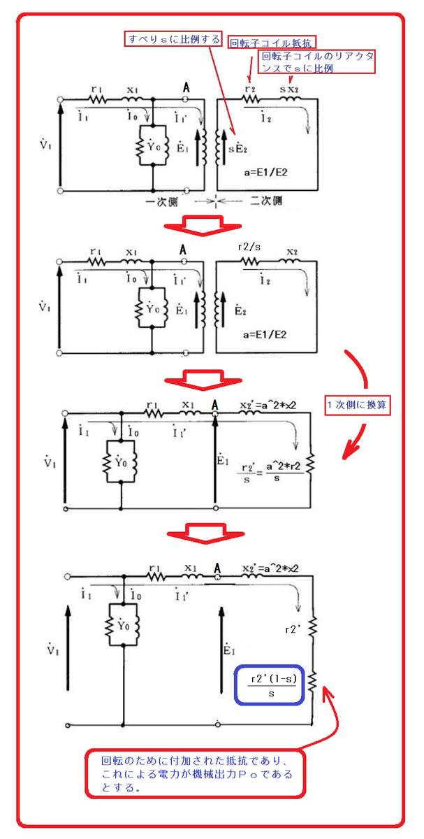
図1 誘導電動機の等価回路
■スタインメッツによるトルクーs関係式の導出
図1の上が誘導電動機の等価回路で、下が1次側に換算し、簡略化したもので、sはすべりである。励磁電流I0を無視すると、1次電流I1は、
I1=V1/√((r1+r2’/s)^2+(x1+x2’)^2)
--(1)
ここでr2’/sの消費電力が2次コイルと回転による機械出力Poであるとする。
2次コイル抵抗は回転によって変わらないので、
r2’/s-r2’=r2’(1-s)/s
が回転のために付加された抵抗であり、これによる電力が機械出力Poであるとする。
これは、DCモーターと同じであり、電機子の電圧は抵抗と逆起電力の和であり、逆起電力*電流が機械出力Poである。この場合、r2’/sにかかる電圧は、抵抗r2’と逆起電力の和であると考える。そこで、
Po=(r2’(1-s)/s)*I1^2
と考えられる。すると、トルクTは、回転角速度をΩ、同期角速度をΩ0(rad/s)とすると、
T=Po/Ω=Po/(Ω0(1-s))
=(r2’(1-s)/(s*Ω0(1-s))*I1^2
=(r2’/(s*Ω0))*I1^2
-------(2)
(2)式のI1に(1)を入れ、3相なので3倍すれば、トルクとsの関係式が出てくる。

---(3)
ここで注意することは、Ω0は電源周波数ωと構造(極数p)で決まるということである。
Ω0=2πf/(p/2) (rad/s)
N0=120f/p (rpm)
(3)式をsで微分し、Tの最大値を求めると、
s=r2’/√(r1^2+(x1+x2’)^2) ---(4)
のときが最大で、Tの最大値Tmは、
Tm =3V1^2/(2Ω0(r1+√(r1^2+(x1+x2’)^2))
---(5)
となる。
(3)式で、s=0付近で考えれば、
T≒3*V1^2*s/(Ω0*r2’) <---比例推移
ーーーー(6)
から、
s≒3(Ω0*T)*r2’/V1^2
になり、これからわかる。
さらに、P2を2次入力とすると、
P2=I1^2*r2’/s
Po=I1^2*(r2’/s-r2’)
=I1^2*r2’(1-s)/s
T*Ω=Po=I1^2*r2’(1-s)/s
これから、
T*Ω/(1-s)=I1^2*r2’/s
T*Ω0=I1^2*r2’/s
T*Ω0=P2
ーーーーーーーーーー以下おまけーーーーーーーーーー
■質問
http://detail.chiebukuro.yahoo.co.jp/qa/question_detail/q12149631227/a3682680【45?open_reply=1

【回答】
P2=I1^2*r2’/s
Po=I1^2*(r2’/s-r2’)
=I1^2*r2’(1-s)/s
T*ω=Po=I1^2*r2’(1-s)/s
これから、
T*ω/(1-s)=I1^2*r2’/s
T*ωs=I1^2*r2’/s
T*ωs=P2
というわけですな?
ーーーーー
Tm = P2 / ωs で求めるものと思っていました。
しかし、回答を見ると
Tm = P2 / ωs(1-Sm) となっています。
ーーーーー
Tm = P2 /( ωs(1-Sm)) ーー>Tm = Po / ωs(1-Sm)
のまちがいでは?
Tm
=3E^2/(2ωs(r1+√(r1^2+(x1+x2’)^2)
は下の本に書いてあり、間違いはないと思います。
これから、
E^2/ωsはTm、r1、x1、x2’で決まり、r2’には依存しません。
■
磁化されたものと円電流の等価性は
http://note.chiebukuro.yahoo.co.jp/detail/n279165
■等価磁化電流によるもの
そもそも、私の提案は強磁性体を等価電流に置きかえると、それと界磁とのローレンツ力でトルクが求まり、その等価電流は、コイル電流に比べて十分大きいので、コイル部分の磁界を上げたとしても、あまり効果はない、と言いたかったのです。
回転子のトルクは2次コイルと界磁のローレンツ力だけではない、ということを言いたかったのです。
しかし、この方法でトルク式を導くことは不可能です。
実際の磁束の流れを再現するように等価電流を配置しなければならない。1次コイル電流による分と2次コイル電流による分を考え、1次コイル電流による磁界(界磁)と2次コイル電流によって励起された回転子内の等価電流(分布している)によるローレンツ力をもとめなければなりませんので、式では出てきません。2次コイル電流によって励起された回転子内の等価電流は分布しているため回転子全体にわたる積分となります。
回転子の磁化を表現する等価電流分布を計算することは不可能ですね。
ただこう考えてみると、2次コイルはこれら等価電流を誘発する役目なので、2次コイル電流自体はトルクにあまり関与しない、ということがわかるわけですよ。
■
そう考えると上のスタインメッツ式は実にこの難関を簡単に突破していて驚きですね。
■
http://plaza.rakuten.co.jp/masha1977/diary/?PageId=1&ctgy=16
から、
問1
定格電圧200(V)、定格周波数50(Hz)、4極の三相かご型誘導電動機があり、L形等価回路において星形一相一次換算の抵抗値及びリアクタンス値は、次のとおりである。
一次抵抗r1=0.0707(Ω)
一次漏れリアクタンスx1=0.172(Ω)
二次抵抗r2=0.0710(Ω)
二次漏れリアクタンスx2=0.267(Ω)
この電動機に回転速度の二乗に比例するトルクを要求する負荷をかけ、一次周波数制御を行なって運転しているとき、次の問に答えよ。
(1)一次周波数を定格値に保ち、回転速度1455(r/min)で運転しているときのトルク(N・m)を求めよ。
(2)回転速度1200(r/min)で運転しているときに負荷が要求するトルク(N・m)、及び定格一次周波数にこのトルクを発生させるための電動機の滑り(%)を求めよ。
(3)問(2)で求めた負荷トルクを負って1200(r/min)で運転するための、電動機の一次周波数(Hz)を求めよ。ただし、電動機の周期速度に対する滑りは、トルクが同一ならば一次周波数にかかわらず一定とし、また、電動機の滑りとトルクの関係は直線で表せる範囲にあるものとする。
【解答】
(1)問題のかご型誘導電動機の同期速度N0および同期角速度ω0は、次式で表せる。
N0=120×50/4=1500(r/min)
ω0=4π×50/4=50π(rad/s)
したがって、一次周波数が定格値、1455(r/min)で運転しているときの滑りsは、
s=1-1455/1500=0.03
となる。ところで、電動機のL形同化回路は第1図のようになるから、一次換算した二次電流I2は、次式で表せる。
I2=V/√{(r1+r2/s)^2+(x1+x2)^2}
上式へ、r1=0.0707(Ω)、r2=0.0710(Ω)、x1=0.172(Ω)、x2=0.267(Ω)、s=0.03、V=200/√3(V)を代入すれば、
I2≒46.62(A)
また、トルクTha,第1図より、
T=1/ω0(1-s)×3×(1-s)/s・r2I2^2
=3r2/(ω0s)・I2^2
で表せるから、求めるトルクTは、
T≒98.24(N・m)
となる。
(2)回転速度が1200(r/min)のとき負荷が要求するトルクT’は、題意より、回転速度の2乗に比例するから、次式で求まる。
T’=(1200/1455)^2×98.24
≒66.82(N・m)
また、定格一次周波数にてこのトルクを発生させるときの滑りs’は、題意より、電動機の滑りとトルクの関係は直線で表せるから、次式で求まる。
s’=0.03×66.82/98.24
≒0.0204→2.04(%)
(3)定トルク負荷を負って電動機が周波数fで運転しているときの滑りをsとすると、周波数がf’になったときの滑りs’’は、題意により、一次周波数に無関係に一定だから、(2)で求めたs’に等しい。
∴s’’=s’=0.0204
このときの回転速度N’(=1200r/min)は、
N’=(1-s’’)N0’
=(1-s’’)120f’/p
∴f’=N’p/120(1-s’’)
=40.83≒40.8(Hz)