SonofSamlawのブログ

うひょひょ

2025-08-25から1日間の記事一覧

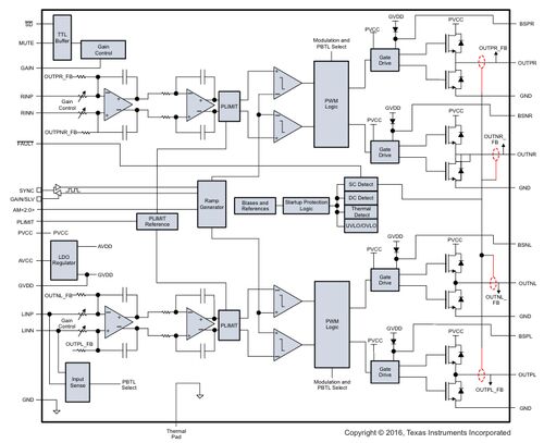
TPA3116D2-Q1,TPA3118D2-Q1 D級アンプIC

100-W and 50-W Class-D Stereo Automotive Amplifiers 1 Features 1 • Supports Multiple Output Configurations– 2×50WIntoa4-Ω BTL Load at 21 V (TPA3116D2-Q1)– 2×30WIntoan 8-Ω BTL Load at 24 V (TPA3118D2-Q1) • WideVoltage Range: 4.5 V to 26 V •…

フライバックトランス(変圧器)解説ブログ集 &

フライバックトランスでは、どうしてギャップを設けるのか? & フライバックトランスでは、どうしてギャップを設けるのか? & - SonofSamlawのブログ フライバックトランス ギャップ長GWと巻き数nの関係導出 & フライバックトランス ギャップ長GWと巻き…

真空管アンプの基礎問題解説ブログ集 &

真空管アンプで変圧器(トランス)を使うわけ & https://sonofsamlaw.hatenablog.com/entry/2023/06/05/063829?_gl=1*zf7490*_gcl_au*MjEzNzYyNzMyMC4xNzU1ODA4MDcy 真空管(トランジスタ)アンプにおけるバイアスの意味 & https://sonofsamlaw.hatenablog…