SonofSamlawのブログ

うひょひょ

古典イコライザアンプ探訪

 

    

ライター:mpcsp079さん(最終更新日時:2016/3/23)投稿日:2012/12/25    
.

 

  

 黒田 「最新トランジスタ・アンプ設計法」(ラジオ技術者)から引用します。

 

 トリオTW30(1962(年)で、初めてのオールトランジスタアンプらしいですよ。

当時はCDなどありませんから、レコードと呼ばれた、あの針でこすって音を出す装置か、テープが唯2の音源でした。

 

 トランジスタはGeのPNPです。逆転してかんがえてくださいね(^^ 


         

 

              図1 トリオTW30 イコライザアンプ

 

お次は、マランツ7Tです

 

http://www.hifido.co.jp/KW/G0102/P0/A50/J/0-50/S0/C10-57157-88312-00/

 

から、外観引用いたします。

 




そして、回路図です。上の文献からのコピーです。

 

    

  

                     図2 マランツ7Tイコライザアンプ

 

  この回路は、図1とは違い全体にDCフィードバックをかけ、バイアスを安定にしている。Q1のエミッタ部分を図3で調べてみる。

 

  


               図3 エミッタ部分

 

 bはDCにおける等価回路である。cは信号の周波数での等価回路であり、EQからの信号が支配的にエミッタを動かす。

 

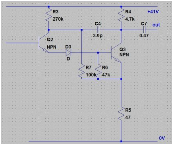
 さらに、OUT部分を図4で見てみよう。 

            

             図4 OUT部分

 

C4はたぶんフィードフォーワードではないかと思う。つまり、周波数が上がっていくと、Q2のコレクタがC4を通してQ3を加勢するのである。低域ではQ3のみであるが、高域になるに従い、Q2のコレクタ電圧が支配的になるのではないかと思う。

 

 ここでついでに、真空管イコライザアンプ マランツ7の回路図ものせます

http://www.anc-tv.ne.jp/~suzuki3/amp_eq_12ax7/a_eq.htm

からの引用です。

 

 

       図5 マランツ 7 イコライザアンプ

 

http://archive.is/UsGox#selection-949.239-949.269

 http://www9.wind.ne.jp/fujin/diy/audio/77/eq.htm

http://www.audio-romanesque.com/marantz7.htm